enquiry form:
enquiry content:
You have no items to require
').prependTo('body'); } });
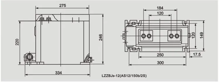
12 kv indoor block type CT current transformer LZZBJ9-12
Interview
Current transformer LZZBJ9-12 is made indoor cast-resin insulated, totally enclosed structure, It's designed for current, power measurement and relay protection in AC power system with rated frequency 50/60Hz, rated voltage 12kV and below.It is especially suitable for using in narrow case (fixed) ringnet switchgear.
| Type | Rated transformation ratio(A) | Accuracy Classes combination | Accuracy class and rated output COSφ=0.8 | 1s thermal current (kA) | Rated dynamic current(kA) | ||||||||||
| 0.2s | 0.2 | 0.5 | 10p15 | ||||||||||||
LZZBJ9-12 (AS12/150B/2S) (AS12/150B/4S) (AS12/175B/2S) (AS12/175B/4S) | 5/5 | 0.2S/10P15 0.2/10P15 0.5/10P15 | 10 | 10 | 10 | 15 | 0.8 | 1.9 | |||||||
| 10/5 | 1.5 | 3.8 | |||||||||||||
| 15/5 | 2.3 | 5.8 | |||||||||||||
| 20/5 | 3 | 7.5 | |||||||||||||
| 30/5 | 4.5 | 11.2 | |||||||||||||
| 40/5 | 6 | 15 | |||||||||||||
| 50/5 | 7.5 | 18.8 | |||||||||||||
| 75/5 | 11.5 | 29 | |||||||||||||
| 100/5 | 15 | 37.5 | |||||||||||||
| 150~200/5 | 22.5 | 56.5 | |||||||||||||
| 300~600/5 | 45 | 112.5 | |||||||||||||
| 800~2500/5 | 63 | 157.5 | |||||||||||||


Copy product links
Long by picture save/share
enquiry form:
enquiry content:
You have no items to require
